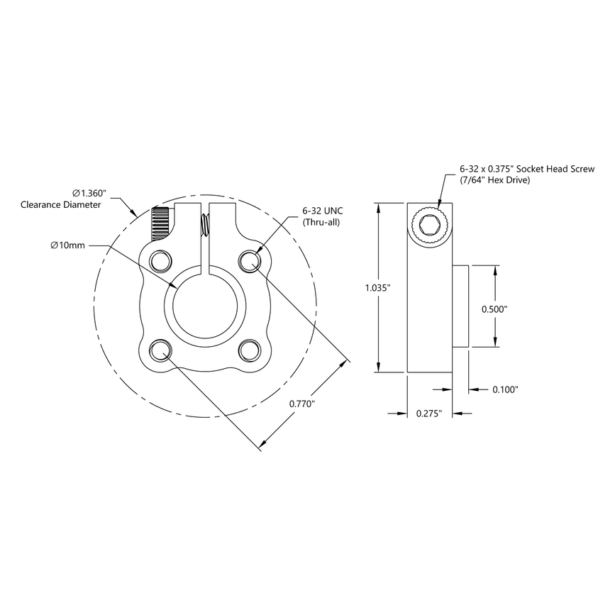
10mm (0.770") Clamping Hub

SKU:

DISCONTINUED This product has been discontinued.

$6.99
Discontinued

Sold Out

This 10mm clamping hub is precision machined in order to slip over a 10mm shaft and clamp down for a no-slip connection when the 6-32 pinch bolt is tightened.  The threaded 6-32 holes on the face are on the 0.77" pattern which is common throughout the Actobotics build-system.

Downloads

Specs

Bore 10mm
Material Aluminum
Finish Clear Anodized
Weight 0.26 oz (7.4g)

This website uses cookies to ensure you get the best experience on our website