DISCONTINUED This product has been discontinued.
Sold Out
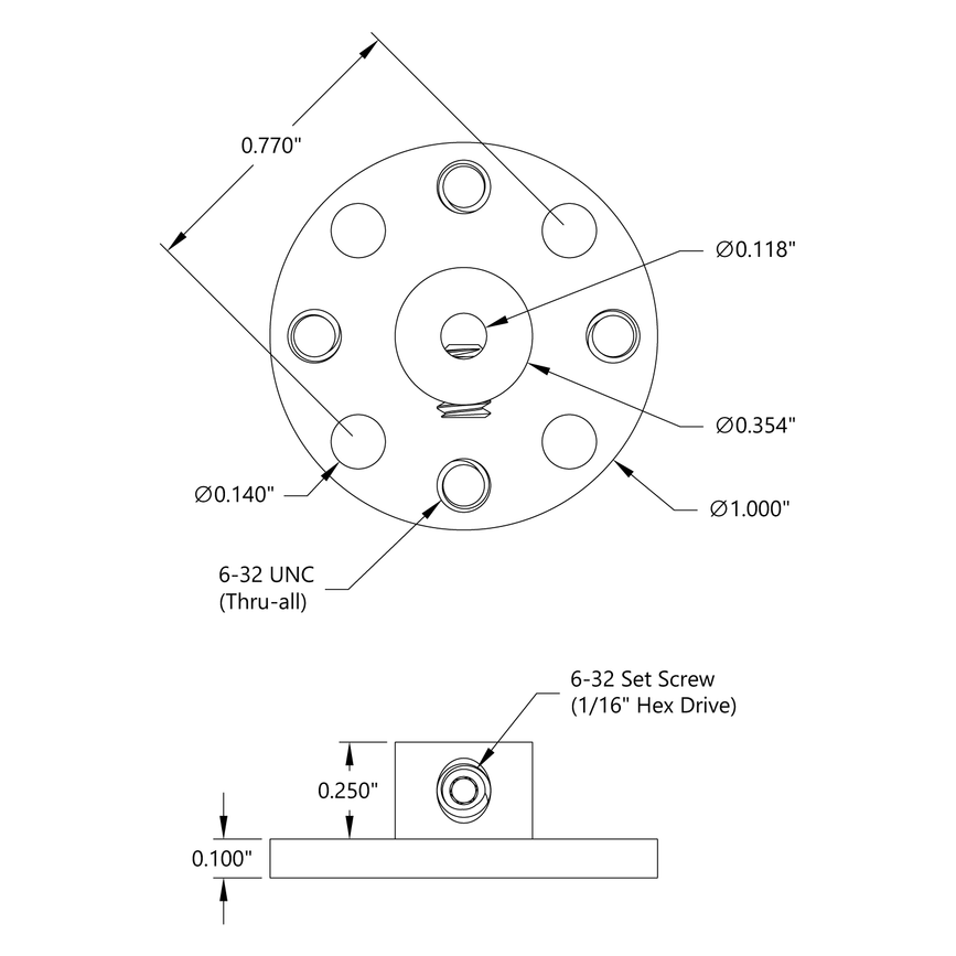
As the name suggests, the hub is lightweight for those smaller projects. The 3mm bore is a match to many smaller motors, such as our N20 Gear Motors.
These products have been hand curated by our R&D team. We have selected products that are directly compatible with or very relevant to the 545348.
5022070001
This website uses cookies to ensure you get the best experience on our website