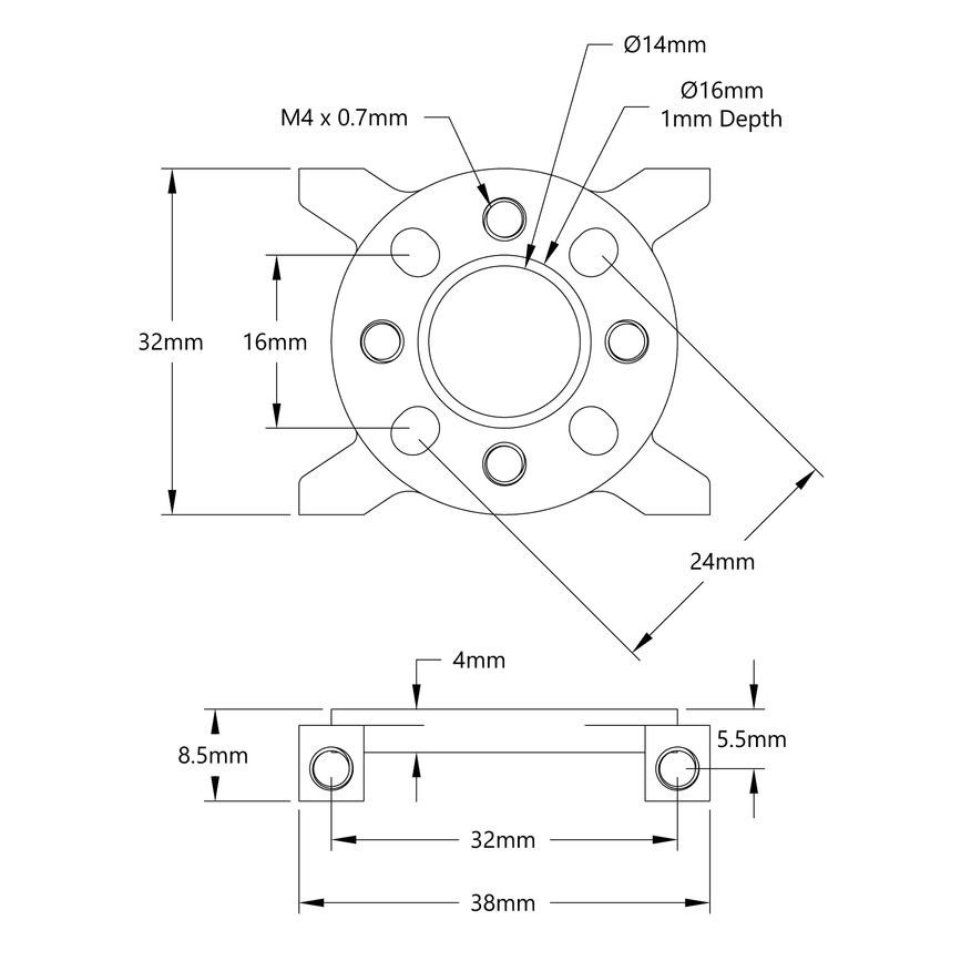
Space two of these pattern mounts 32mm apart to achieve a 43mm overall width. This width is useful when mounting items in 1120 Series U-Channel.
These products have been hand curated by our R&D team. We have selected products that are directly compatible with or very relevant to the 1221-0032-0001.
This website uses cookies to ensure you get the best experience on our website