DISCONTINUED This product has been discontinued.
Sold Out
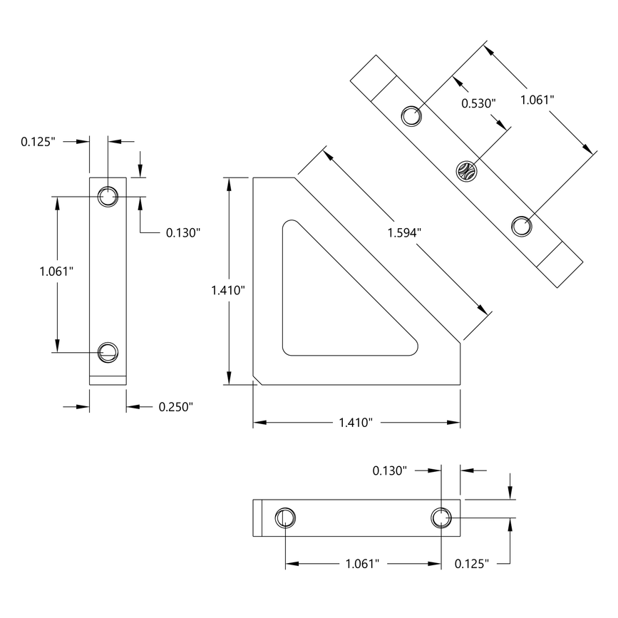
This angle bracket serves as an excellent way to create a junction between two pieces of channel, but can also be added to an existing structure as a means of extra support.
These products have been hand curated by our R&D team. We have selected products that are directly compatible with or very relevant to the 585532.
This website uses cookies to ensure you get the best experience on our website