SG20 Series Servo Gearbox (2:1 Ratio, Continuous Rotation, 944 oz-in, 35 RPM)

SKU:

DISCONTINUED This product has been discontinued.

Consider This Alternative

While the mounting holes are goBILDA® (metric) instead of Actobotics® (imperial), please consider this otherwise very comparable alternative.

Shark-2 Servo Gearbox (36 RPM, 944 oz-in Torque, Continuous Rotation)
3216-0002-0002
Shark-2 Servo Gearbox (36 RPM, 944 oz-in Torque, Continuous Rotation)
Continuous Mode: $289.99
$279.99
Discontinued

Sold Out

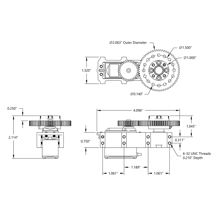
This 2:1 Ratio, SG20 Series Servo Gearbox utilizes the Hitec HSR-M9382TH servo that has been programmed for continuous rotation. This means that the servo driving the gearbox has no limitation to the amount of travel. The signal that you send to the servo will determine the speed that the servo rotates. It is bidirectional and fully proportional, meaning that you can vary the speed and direction with the signal being sent from your servo controller. This 2:1 ratio model will result in the large aluminum gear spinning at half the speed of the original servo, but with twice the torque! If the SG20-20-CR doesn't suit your needs, be sure to check out the other Servo Gearbox options.

The 1/2" diameter stainless steel shaft of the Servo Gearbox is supported by a pair of 1/2" ball bearings and held in place with retaining rings above and below the bearings so that it can withstand loads from any direction. An arm, disk or linkage can be fastened to the threaded holes on the Actobotics 0.77" pattern. Alternately, the 0.14" thru-holes on the perimeter of the aluminum hub gear can be used to fasten standoffs, spacers or a linkage to, or, you can slide a 1" clamping hub around the spacer on top of the gearbox for quick adjustments to the item being fastened.

The Servo Gearbox is easily attached to Actobotics Channel, given it's overall width of 1.32" (to match the internal width of U-Channel). For those of you installing in an R/C vehicle, the 585506 bracket is a popular choice as it creates ears to mount the servo gearbox down to a flat surface.

While this model is programmed for continuous rotation, you can actually toggle back and forth between continuous (open loop) and feedback (closed loop) mode, using the Hitec DPC11 servo programmer and BLDC Ver 3.1 firmware. Given the 2:1 ratio, when programmed to feedback mode, the gearbox is capable of up to 3.5 turns and the speed will be 0.28 sec/60°.

Tech Tips

Downloads

Specs

Weight 7.0 oz (198g)
Gear Ratio 2:1
Voltage Range 6.0V - 7.4V
No-Load Speed (6.0V) 35 RPM
No-Load Speed (7.4V) 29 RPM
Stall Torque (6.0V) 944 oz-in (68.0 kg.cm)
Stall Torque (7.4V) 944 oz-in (68.0 kg.cm)
Max PWM Range 800-2200μsec
Pulse Amplitude 3-5V
Deadband Width 1μsec
No-Load Current 250mA
Stall Current 2,700mA

This website uses cookies to ensure you get the best experience on our website