SG20 Series Servo Gearbox (3:1 Ratio, 840° Rotation, 1416 oz-in, 0.42 sec/60°)

SKU:

DISCONTINUED This product has been discontinued.

Consider This Alternative

While the mounting holes are goBILDA® (metric) instead of Actobotics® (imperial), please consider this otherwise very comparable alternative.

Shark-3 Servo Gearbox (0.42 sec/60°, 1416 oz-in Torque, 840° Rotation)
3216-0001-0003
Shark-3 Servo Gearbox (0.42 sec/60°, 1416 oz-in Torque, 840° Rotation)
Feedback Mode: $289.99
$279.99
Discontinued

Sold Out

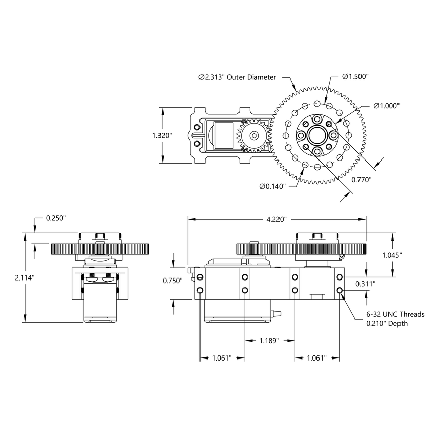
This 3:1 Ratio, SG20 Series Servo Gearbox utilizes the Hitec HSR-M9382TH Servo that has been programmed to rotate 7 turns while retaining positioning feedback! Given the 3:1 ratio of this gearbox, the large aluminum gear will spin a maximum of 2.3 turns at one third the speed of the original servo, but with three times the torque! If the SG20-30 doesn't suit your needs, be sure to check out the other Servo Gearbox options.

The 1/2" diameter stainless steel shaft of the Servo Gearbox is supported by a pair of 1/2" ball bearings and held in place with retaining rings above and below the bearings so that it can withstand loads from any direction. An arm, disk or linkage can be fastened to the threaded holes on the Actobotics 0.77" pattern. Alternately, the 0.14" thru-holes on the perimeter of the aluminum hub gear can be used to fasten standoffs, spacers or a linkage to, or, you can slide a 1" clamping hub around the spacer on top of the gearbox for quick adjustments to the item being fastened.

The Servo Gearbox is easily attached to Actobotics Channel, given it's overall width of 1.32" (to match the internal width of U-Channel). For those of you installing in an R/C vehicle, the 585506 bracket is a popular choice as it creates ears to mount the servo gearbox down to a flat surface.

While this model is programmed to allow the servo to rotate 7 turns, you can easily adjust the parameters of the servo using the Hitec DPC-11 Servo Programmer and BLDC Ver 3.1 firmware. You can fine-tune the rotation to fit your application, or even program it for continuous rotation.

How Far Will This Servo Gearbox Rotate?

The answer to this question is partially dependant on what you are using to control the servo that drives the gearbox. Click for a quick video explanation.

With an Average Radio System:
540°
Your average transmitter and receiver will output a relativly narrow PWM signal range.

Radio System + Travel Tuner:
840°
Adding a Servo Travel Tuner to your radio system setup will allow you to achieve wide PWM signal ranges.

Wide Signal Controllers:
840°
Controllers such as the Actobotics® Servo Controller, Arduinos, and Raspberry Pi servo hats can usually send a wide signal.

Tech Tips

Downloads

Specs

Weight 6.9 oz (197g)
Gear Ratio 3:1
Voltage Range 6.0V - 7.4V
No-Load Speed (6.0V) 0.51 sec/60°
No-Load Speed (7.4V) 0.42sec/60°
Stall Torque (6.0V) 1416 oz-in (102.0 kg.cm)
Stall Torque (7.4V) 1416 oz-in (102.0 kg.cm)
Max PWM Range 800-2200μsec
Travel per μsec 0.600°/μsec
Max Rotation 840°
Pulse Amplitude 3-5V
Deadband Width 1μsec
No-Load Current 250mA
Stall Current 2,700mA

This website uses cookies to ensure you get the best experience on our website